|
不銹鋼氣動蝶閥產品概述: 不銹鋼氣動蝶閥是一種高性能、使用壽命長的金屬密封蝶閥。主要由氣動執行器與不銹鋼蝶閥組成,閥體和閥板均采用不銹鋼材質制造,具備耐高溫、耐高壓、耐腐蝕等特點。該不銹鋼氣動蝶閥按連接方式可分為法蘭式蝶閥和對夾式蝶閥,選用開關型或調節型的氣動執行機構,并可裝配閥門定位。實現對介質流量、溫度、壓力等參數的比例調節。不銹鋼氣動蝶閥可廣泛應用于高溫、高壓及低溫、防火等管道作開關切斷或調節使用。主要應用于:石油、化工、電力、冶金、鋼鐵、造紙、醫藥、食品、紡織、輕工等行業。
不銹鋼氣動蝶閥產品特點: (1)不銹鋼氣動蝶閥結構緊湊、體積小、重量輕、操作靈活、使用方便。 (2)不銹鋼氣動蝶閥采用三維偏心彈性或多層次硬密封結構,密封性能可靠,其中軟密封可到到零泄漏。 (3)氣動不銹鋼蝶閥具有耐高溫、耐高壓、耐腐蝕、耐磨損等特點。 (4)具有雙向密封功能,并且安裝方便,安裝時不受介質流向的控制,也不受空間位置的影響,可在任何方向安裝。 (5)不銹鋼氣動蝶閥是以壓縮空氣為動力源,通過電磁閥換向去驅動氣動執行器,氣動執行器帶動蝶板做0~90度來回旋轉動作,從而達到對閥門的開啟和關閉。可根據工況需要,裝配上閥門定位器,控制蝶板的旋轉開度,達到對介質流量等各項參數的只能調節控制。
不銹鋼氣動蝶閥主要技術參數: 公稱通徑:DN50~1200mm、 公稱壓力:1.0Mpa、1.6Mpa、2.5Mpa、4.0Mpa、6.4Mpa、 連接方式:對夾式連接、法蘭式連接 閥體形式:直通鑄造蝶閥 閥芯形式:蝶板式 流量特性:近似快開型 密封形式:三偏心金屬硬密封 閥板材質:不銹鋼304、不銹鋼316、合金鋼等 閥體材質:不銹鋼304、不銹鋼316、合金鋼、雙向不銹鋼等 動作范圍:0~90度 泄 漏 量:按GB/T4213-92、為KV值得10-4、 適用溫度:-40°C~+480°C、 驅動形式:氣源驅動(壓縮空氣0.4~0.7Mpa) (可帶手輪) 氣源接口:G1/4"、 G1/8"、 G3/8"、 G1/2" 控制形式:開關型(開關兩位切斷)、智能調節型(4~20mA模擬信號) 作用形式:單作用(彈簧復位):氣關式(B)-失氣時閥位開(FO):氣開式(K)-失氣時閥位關(FC) 作用形式:雙作用(通氣開關):氣關式(B)-失氣時閥不變(FL):氣開式(K)-失氣時閥不變(FL) 適用介質:水、氣體、油品、腐蝕性介質等(高溫高壓、常溫常壓、低溫場合) 環境溫度:-30°C~+70°C 可配附件:定位器、電磁閥、空氣過濾減壓器、行程開關、閥位傳送器、手輪機構等 產品特點:密封性能好,耐高溫高壓、耐老化、耐腐蝕、使用壽命長。
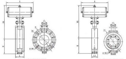
不銹鋼氣動蝶閥外形結構圖: 
不銹鋼氣動法蘭式蝶閥 不銹鋼氣動對夾式蝶閥
不銹鋼氣動蝶閥執行機構參數: 雙作用執行器:開關動作都要通過氣源來驅動執行,通氣開、通氣關、氣源故障保持當前位置。 單作用執行器:開關動作只有開啟或關閉是氣源驅動,而關閉或開啟是靠彈簧來復位的。 單作用常閉型:通氣開啟、斷氣關閉、氣源故障關閉。 單作用常開型:通氣關閉、斷氣開啟、氣源故障開啟。 切斷型附件:單電控電磁閥、雙電控電磁閥、限位開關回訊器 調節型附件:電氣定位器、氣動定位器、電氣轉換器 回訊器:也叫限位開關,遠程反饋開關信號(可防爆) 電磁閥:雙作用選二位五通、單作用選二位三通(可防爆) 三聯件:可對氣源穩壓、過濾、氣缸加潤滑油 氣源處理附件:空氣過濾減壓閥、氣源處理三聯件 手動機構:轉動手輪機構、手動開啟閥門和手動關閉閥門
不銹鋼氣動蝶閥標準規范: 設計標準:GB/T12238-1989; 法蘭連接尺寸:GB/T9113.1-2000;GB/T9115.1-2000; JB78結構長度:GB/12221-1989; 壓力試驗:GB/T13927-1992、JB/T9092-199
不銹鋼氣動蝶閥訂貨須知: 1、對產品有特殊要求,須在訂貨合同中提供以下說明: a.結構長度; b.連接形式; c.公稱直徑; d.產品使用介質及溫度、壓力范圍等、 e.試驗、檢驗標準及其他要求。 2、 本廠可根據客戶特定要求配置各類驅動裝置。 3、 如由客戶提供確定的閥門類型和型號時,客戶應正確說明其型號的含義和要求,在供需雙方理解一致的條件下簽訂合同。 4、貨期、訂貨的客戶請先來電函詳細告訴所需的閥門型號、規格、數量以及交貨時間、地點。并預付合同總額的30%貨款,供方即備料生產。
注:更多詳情參數請直接聯系我們!請點擊此處:跳轉在線客服!上海銳爾閥門竭誠為您服務!
|