|
氣動軟密封蝶閥產品概述: 氣動軟密封蝶閥是一種密封性能和防腐性能較好的中線型蝶閥,按密封結構可根據使用工況分為法蘭蝶閥和對夾式蝶閥,可用于含有腐蝕性介質及泄漏量要求較高的常溫常壓場合。氣動軟密封蝶閥采用密封結構,密封材料有橡膠、聚四氟乙烯等,泄漏量可達到零泄漏。由于結構特征的限制,氣動軟密封蝶閥不適用于高溫、高壓及抗磨損等行業,只適合在常溫環境和低壓、中壓等場所做開關切斷和調節流量使用。
氣動軟密封蝶閥主要技術參數: 公稱通徑:DN50~1200mm、 公稱壓力:1.0Mpa、1.6Mpa、2.5Mpa 連接方式:對夾式連接、法蘭式連接 閥體形式:直通鑄造蝶閥 閥芯形式:蝶板式 流量特性:近似快開型 密封結構:對夾式蝶閥、法蘭式蝶閥 泄 漏 量:軟密封:零泄漏 閥板材質:球墨鑄鐵、不銹鋼304、不銹鋼316等 密封材質:PTFE(聚四氟乙烯)、EPDM(乙丙橡膠)、丁腈橡膠等 閥體材質:球墨鑄鐵、碳鋼(WCB)、不銹鋼304、不銹鋼316等 適用溫度:聚四氟乙烯 PTFE:-40°C~+180°C、EPDM(乙丙橡膠):-40°C~+150°C、等 驅動形式:壓縮空氣(4~7bar) (可帶手輪) 氣源接口:G1/4"、 G1/8"、 G3/8"、 G1/2" 控制形式:開關型(開關兩位切斷)、智能調節型(4~20mA模擬信號) 作用形式:單作用(彈簧復位):氣關式(B)-失氣時閥位開(FO):氣開式(K)-失氣時閥位關(FC) 作用形式:雙作用(通氣開關):氣關式(B)-失氣時閥不變(FL):氣開式(K)-失氣時閥不變(FL) 工作場合:水、氣體、油品、腐蝕性介質等(常溫、常壓、常溫低壓場合) 環境溫度:-30°C~+70°C 可配附件:定位器、電磁閥、空氣過濾減壓器、行程開關、閥位傳送器、手輪機構等 產品特點:密封性能好,耐老化、耐腐蝕、使用壽命長。
氣動軟密封蝶閥產品優點: (1)結構簡單,流阻系數小,流量特性趨于直線,不會滯留雜物。 (2)蝶板與閥桿的連接采用無銷釘結構,克服了有可能的內泄漏點。 (3)按結構方式可分為氣動法蘭蝶閥和氣動對夾式蝶閥,滿足不同的工業管道。 (4)密封件可以退換,密封性能可靠達到雙向密封零泄漏。 (5)密封材料耐老化,耐腐蝕,使用壽命長。
氣動軟密封蝶閥執行機構參數: 雙作用執行器:開關動作都要通過氣源來驅動執行,通氣開、通氣關、氣源故障保持當前位置。 單作用執行器:開關動作只有開啟或關閉是氣源驅動,而關閉或開啟是靠彈簧來復位的。 單作用常閉型:通氣開啟、斷氣關閉、氣源故障關閉。 單作用常開型:通氣關閉、斷氣開啟、氣源故障開啟。 切斷型附件:單電控電磁閥、雙電控電磁閥、限位開關回訊器 調節型附件:電氣定位器、氣動定位器、電氣轉換器 回訊器:也叫限位開關,遠程反饋開關信號(可防爆) 電磁閥:雙作用選二位五通、單作用選二位三通(可防爆) 三聯件:可對氣源穩壓、過濾、氣缸加潤滑油 氣源處理附件:空氣過濾減壓閥、氣源處理三聯件 手動機構:轉動手輪機構、手動開啟閥門和手動關閉閥門
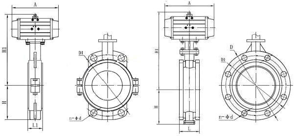
氣動軟密封蝶閥外形結構圖: 
氣動軟密封蝶閥和氣動硬密封蝶閥的區別: (1)軟密封蝶閥多為中線型,硬密封多為單偏心、雙偏心、三偏心蝶閥結構。 (2)軟密封用于常溫環境,硬密封可用于低溫、常溫、高溫等環境。 (3)軟密封使用于低壓、常壓。硬密封可以使用于中高壓等場合。 (4)軟密的和三偏心硬密封蝶閥密封性能好,三偏心蝶閥在高壓高溫環境下可以保持良好的密封。 (5)軟密封的優點是密封好,缺點是容易老化,磨損,使用壽命短。 (6)硬密封蝶閥使用壽命長,但是密封性相對比軟密封差。
氣動軟密封蝶閥訂貨須知: 1、對產品有特殊要求,須在訂貨合同中提供以下說明: a.結構長度; b.連接形式; c.公稱直徑; d.產品使用介質及溫度、壓力范圍等、 e.試驗、檢驗標準及其他要求。 2、 本廠可根據客戶特定要求配置各類驅動裝置。 3、 如由客戶提供確定的閥門類型和型號時,客戶應正確說明其型號的含義和要求,在供需雙方理解一致的條件下簽訂合同。 4、貨期、訂貨的客戶請先來電函詳細告訴所需的閥門型號、規格、數量以及交貨時間、地點。并預付合同總額的30%貨款,供方即備料生產。
注:更多詳情參數請直接聯系我們!請點擊此處:跳轉在線客服!上海銳爾閥門竭誠為您服務!
|