|
氣動法蘭式蝶閥產品概述: 氣動法蘭蝶閥由法蘭式蝶閥與氣動執行器組成,蝶閥閥體兩端法蘭與管道法蘭進行連接,具有密封性能相對可靠的優點。氣動法蘭蝶閥按密封形式可分為軟密封和金屬硬密封,軟密封的密度材料有(EPDM)乙丙橡膠、丁腈橡膠,具有良好的密封性能(可達零泄漏),一般用于溫度≤200°C,公稱壓力≤2.5Mpa的常溫環境和低壓、中壓場所。由于結構特征的限制,不適宜應用在耐高溫、高壓、及抗磨損等行業。其中硬密封多為多層次金屬密封,密封面之間無摩擦傳動、具有抗磨損、機械性能好、耐高溫、耐高壓及使用壽命長等特點。可以廣泛應用于≤550°C的化工、環保處理、燃氣、油品、蒸汽、水、及腐蝕性介質等。金屬硬密封無論在高溫、高壓、低溫等情況下均具有優良的密封封性能。相對比對夾式蝶閥來說,氣動法蘭蝶閥的可耐性較高,一般情況下要求較高的工況都采用法蘭式蝶閥。
氣動法蘭式蝶閥工作原理: 氣動法蘭蝶閥通過壓縮空氣進入執行機構,驅動執行器帶動蝶板做90度旋轉運動,來作為管道開關和調節流量使用。所謂開關模式控制,即只做閥門開啟和關閉之用。而調節型控制是在氣動執行器上裝配閥門定位器,輸入相應的信號,對蝶閥蝶版進行0~90度的任意調節,實現對價介質流量、壓力、溫度等參數的控制。氣動法蘭蝶閥有軟密封和硬密封的兩種密封形式。軟密封蝶閥,密封圈可以鑲嵌在閥體上或附在蝶板上面,有極好的密封性能(可達到零泄漏)。缺點是受高溫高壓限制不適宜使用在高溫高壓場合。采用金屬密封蝶閥能適應較高的工作溫度,一般比軟密封的蝶閥壽命長,但很難做到零泄漏。
氣動法蘭式蝶閥產品特點: (1)其中金屬硬密封蝶閥可保證從超低溫至超高溫等各種溫度范圍都具有較高的密封性能。 (2)流體阻力較小,中大口徑的氣動法蘭式蝶閥全開時流通面積大,啟閉時迅速省力。 (3)氣動法蘭式軟密封蝶閥常用于常溫環境,不適宜在高溫場合。 (4)氣動法蘭式軟密封蝶閥使用于低壓、常壓。氣動法蘭式硬密封蝶閥可以使用于中、高壓等場合。 (5)氣動法蘭蝶閥其執行器分為單作用和雙作用,單作用有常開型和常閉型兩種形式,可在緊急情況下復位到初始狀態(開啟會關閉)。 (6)氣動法蘭式軟密封蝶閥的優點是密封好,缺點是容易老化,磨損,使用壽命短。 (7)氣動硬密封蝶閥使用壽命長,但是密封性相對比氣動軟密封蝶閥差。 (8)氣動軟密封蝶閥適用于常溫常壓的水處理、環保、輕工、化工、等行業工況。硬密封多用于供熱、煤氣、油品等高溫高壓環境。 (9)可實現小型化,可實現機械自鎖性,可更換不同的密封圈,滿足不同的工況。
氣動法蘭式蝶閥主要技術參數: 公稱通徑:DN50~1200mm、 公稱壓力:1.0Mpa、1.6Mpa、2.5Mpa。硬密封:1.6Mpa~6.4Mpa 連接方式:法蘭式連接 閥芯形式:蝶板式 流量特性:近似快開型 動作范圍:0~90度 閥體結構:軟密封(中線型)、硬密封(雙偏心、三偏心) 密封形式:彈性密封、金屬硬密封 閥體材質:球墨鑄鐵、碳鋼(WCB)、不銹鋼304、不銹鋼316等 適用范圍:氣體、水、蒸汽、油品、腐蝕性介質等 泄 漏 量:(軟密封:零泄漏)、硬密封:按GB/T4213-92、為KV值得10-4、 適用溫度:軟密封:-30°C~+150°C、硬密封:-40°C~+450°C、 驅動形式:氣源驅動(壓縮空氣4~7bar) 可帶手輪 氣源接口:G1/4"、 G1/8"、 G3/8"、 G1/2" 作用形式:單作用(彈簧復位):氣關式(B)-失氣時閥位開(FO):氣開式(K)-失氣時閥位關(FC) 作用形式:雙作用(通氣開關):氣關式(B)-失氣時閥不變(FL):氣開式(K)-失氣時閥不變(FL) 控制形式:開關型(開關兩位控制)、智能調節型(4~20mA模擬信號控制) 環境溫度:-30°C~+70°C 產品特點:流通性好、密封可靠、啟閉扭矩小、操作簡單、省力節能。
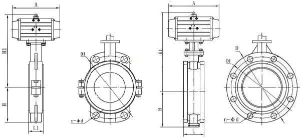
氣動法蘭式蝶閥外形結構圖: 
氣動法蘭式蝶閥執行機構參數: 雙作用執行器:開關動作都要通過氣源來驅動執行,通氣開、通氣關、氣源故障保持當前位置。 單作用執行器:開關動作只有開啟或關閉是氣源驅動,而關閉或開啟是靠彈簧來復位的。 單作用常閉型:通氣開啟、斷氣關閉、氣源故障關閉。 單作用常開型:通氣關閉、斷氣開啟、氣源故障開啟。 切斷型附件:單電控電磁閥、雙電控電磁閥、限位開關回訊器 調節型附件:電氣定位器、氣動定位器、電氣轉換器 回訊器:也叫限位開關,遠程反饋開關信號(可防爆) 電磁閥:雙作用選二位五通、單作用選二位三通(可防爆) 三聯件:可對氣源穩壓、過濾、氣缸加潤滑油 氣源處理附件:空氣過濾減壓閥、氣源處理三聯件 手動機構:轉動手輪機構、手動開啟閥門和手動關閉閥門
氣動法蘭式蝶閥標準規范: 設計標準:GB/T12238-1989; 法蘭連接尺寸:GB/T9113.1-2000;GB/T9115.1-2000; JB78結構長度:GB/12221-1989; 壓力試驗:GB/T13927-1992、JB/T9092-199
氣動法蘭式蝶閥安裝方法: (1)氣動法蘭蝶閥安裝前檢查氣動蝶閥各部分部件無缺失,型號無誤,檢查閥體內無雜物,電磁閥和消音器內無阻塞。 (2)將閥門和汽缸均置于關閉狀態。 (3)將汽缸裝到閥門上,(安裝方向與閥體平行或垂直都可以),再看螺絲孔是否對正,不要有太大偏差,如有少許偏差,將氣缸體轉動一點就可以了,然后將螺絲緊固。 (4)安裝完畢后,對氣動蝶閥進行調試(正常情況下供氣壓力為0.4~0.7MPa),調試運行時須手動操作電磁閥啟閉(將電磁閥線圈失電后手動操作方可有效),觀察氣動蝶閥的啟閉情況。如果在調試運行過程中發現閥門在啟閉過程初始時有些吃力,之后正常,則需要將氣缸行程調小(把氣缸兩端行程調節螺絲同時往里調一點,調整時需將閥門運行到開位置,然后將氣源關掉再調),直至閥門啟閉動作順滑且關閉無泄漏。還需要注意的是,可調型消音器可以調節閥門的啟閉速度,但不可調得過小,否則可能引起閥門不動作。 (5)氣動法蘭式蝶閥在安裝前應保持干燥,不可露天存放。 (6)安裝蝶閥前要檢查管道,確保管道內無焊渣等異物。 (7)蝶閥閥體手動啟閉阻力適中,蝶閥扭矩與所選執行器扭矩匹配。 (8)蝶閥連接用法蘭規格正確,管道對夾法蘭與蝶閥法蘭標準相符。建議使用蝶閥專用法蘭,不得使用平焊法蘭。 (9)確認法蘭焊接無誤,蝶閥安裝完畢后不得再焊接法蘭,以免燙傷橡膠件。 (10)裝好的管道法蘭要進行對中,并與放入的蝶閥進行對中。 (11)裝上所有的法蘭螺栓,并用手擰緊,將確認蝶閥與法蘭已然對中,然后小心的啟閉蝶閥,確保啟閉靈活。 (12)將氣動法蘭式蝶發完全開啟,用扳手按照對角線次序將螺栓擰緊,無需墊圈,切勿將螺栓擰的過緊,以防造成閥圈的嚴重變形,啟閉扭矩過大。
氣動法蘭式蝶閥訂貨須知: 1、對產品有特殊要求,須在訂貨合同中提供以下說明: a.結構長度; b.連接形式; c.公稱直徑; d.產品使用介質及溫度、壓力范圍等、 e.試驗、檢驗標準及其他要求。 2、 本廠可根據客戶特定要求配置各類驅動裝置。 3、 如由客戶提供確定的閥門類型和型號時,客戶應正確說明其型號的含義和要求,在供需雙方理解一致的條件下簽訂合同。 4、貨期、訂貨的客戶請先來電函詳細告訴所需的閥門型號、規格、數量以及交貨時間、地點。并預付合同總額的30%貨款,供方即備料生產。
注:更多詳情參數請直接聯系我們!請點擊此處:跳轉在線客服!上海銳爾閥門竭誠為您服務!
|