|
氣動三通調節閥產品概述 ZAZQ、ZAZX氣動三通調節閥由多彈簧氣動薄膜執行機構和三通分流(合流)閥體組成。氣動薄膜執行器具有高度低、重量輕、安裝維修簡便等優點。氣動三通調節閥閥芯結構采用圓筒薄壁窗口,并采用閥芯側面導向。閥體為三通結構,即一進兩出(分流型),兩進一出(合流型),從而達到流體混合升溫或降溫,或流體不等量分流,滿足不同工礦的使用要求。氣動薄膜三通調節閥閥體具有結構緊湊、重量輕、動作靈敏、壓降損失小、閥容量大、流量特性精確和維修方便等優點。氣動三通調節閥應用于比例調節或旁路調節,尤其適用于石油工業熱交換器的流體溫度控制系統的調節,一臺三通閥可代替兩臺單座閥或雙座閥A使用,占據空間體積小,節省安裝管道及費用。 氣動薄膜三通分(合)流調節閥 主要零件材料 | 本體材質為碳鋼 | 本體材質為不銹鋼 |
|---|
| 1 | 閥體 | WCB | LCB | WC9 | 1 | 閥體 | CF8 | CF8M | CF3M | | 2 | 閥座 | 304 | 304 | 304 | 2 | 閥座 | 304 | 316 | 316L | | 3 | 閥芯 | 304 | 304 | 304 | 3 | 閥芯 | 304 | 316 | 316L | | 4 | 導向套 | 304 | 304 | 304 | 4 | 導向套 | 304 | 316 | 316L | | 5 | 閥蓋 | WCB | LCB | WC9 | 5 | 閥蓋 | CF8 | CF8M | CF3M | | 6 | 閥桿 | 304 | 304 | 304 | 6 | 閥桿 | 304 | 316 | 316L | | 7 | 填料 | PTFE/柔性石墨 | 7 | 填料 | PTFE/柔性石墨 | | 8 | 彈簧 | 65Mn | 8 | 彈簧 | 65Mn | | 9 | 螺母 | 304 | 304 | 304 | 9 | 螺母 | 304 | 316 | 316L |
注:常溫型工作溫度-20-+200℃,泄露等級為Ⅳ級。 高溫型閥蓋增設散熱片,可用于介質溫度-60-+450℃的場合。 波紋管密封型對上下移動的閥桿形成完全的密封,堵絕流體外漏。 低溫型采用加長閥蓋加隔熱板結構可于-196℃深冷場合。 氣動薄膜三通分(合)流調節閥 主要技術參數| 公稱通徑DN(mm) | 20 | 25 | 32 | 40 | 50 | 65 | 80 | 100 | 125 | 150 | 200 |
|---|
額定流量 系數KV | 合流 | 6.3 | 8.5 | 13 | 21 | 34 | 53 | 85 | 135 | 210 | 340 | 535 | | 分流 |
|
|
|
|
|
| 85 | 135 | 210 | 340 | 535 | | 額定行程L(mm) | 16 | 25 | 40 | 60 | | 膜片有效面積Ae(cm2) | 280 | 400 | 600 | 1000 | | 公稱壓力PN(MPa) | 1.6 2.5 4.0 6.4 10.0 | | 固有流量特性 | 直線 等百分比 | | 固有可調比R | 30:1 | | 信號范圍Pr(Kpa) | 20-100、40-200、60-100、80-240 | | 氣源壓力Ps(Mpa) | 0.14、0.25、0.28、0.40 | | 允許壓差△P(MPa) | 0.93 | 0.86 | 0.75 | 0.48 | 0.31 | 0.27 | 0.18 | 0.11 | 0.12 | 0.09 | 0.05 |
氣動薄膜三通分(合)流調節閥 主要性能指標| 序號 | 項 目 | 性能指標 |
|---|
| 不帶定位器 | 帶定位器 |
|---|
| 1 | 基本誤差<(%) | ±5 | ±1 | | 2 | 回差<(%) | 3 | 1 | | 3 | 死區<(%) | 3 | 0.4 | | 4 | 始終點偏差 <(%) | 始點(%) | ±5 | ±1 | | 終點(%) | ±2.5 | | 5 | 額定行程偏差(%) | +2.5 | | 6 | 允許泄露量(1/h) | 10-3×閥額定容量 | | 7 | 額定流量系數偏差(%) | ±10 | | 8 | 固有流量特性 | 符合IEC534-1和GB/T13927-2000中歸動的斜率偏差要求 |
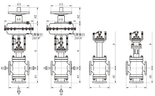
氣動三通調節閥主要外形及連接尺寸
 | 公稱通徑(DN) | 20 | 25 | 32 | 40 | 50 | 65 | 80 | 100 |
|---|
結構長度 (L) | PN16/25 | 180 | 185 | 200 | 220 | 250 | 275 | 305 | 350 | | PN40 | 185 | 190 | 210 | 230 | 255 | 285 | 310 | 355 | | PN64 | 190 | 200 | 220 | 240 | 265 | 295 | 320 | 370 | | H1 | 155 | 155 | 175 | 180 | 200 | 235 | 250 | 260 | | H2 | 298 | 298 | 298 | 298 | 298 | 380 | 380 | 380 | | H3 | 235 | 235 | 247 | 256 | 268 | 364 | 384 | 394 | | H4 | 365 | 365 | 425 | 420 | 445 | 660 | 680 | 690 | | H5 | 110 | 117 | 120 | 139 | 144 | 188 | 208 | 220 | | H6 | 180 | 180 | 180 | 180 | 180 | 236 | 236 | 236 | | A | 282 | 282 | 282 | 282 | 282 | 360 | 360 | 360 | | C | 220 | 220 | 220 | 220 | 220 | 270 | 270 | 270 | | L1 | 289 | 289 | 289 | 289 | 289 | 347 | 347 | 347 | | 壓力等級 | GB:1.6、2.5、4.0、6.4MPa ANSI:150、300、600LB JIS:10、20、30K | | 執行機構 | ZHB-22 | ZHB-23 | ZHB-34 |
更多產品:氣動薄膜精小型角形高壓調節閥 氣動薄膜雙座調節閥
|