|
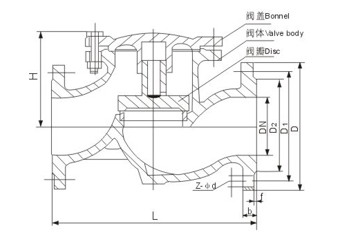
一、H41H升降式止回閥概述: H41H型止回閥是一款能自動阻止流體倒流的閥門。H41H升降止回閥的閥瓣在介質壓力作用下自動啟動,介質從進口進入側流后向出口處流出。當進口壓力低于出口壓力時,閥瓣在介質的壓差、本身重力等環境作用下會自動關閉閥板以防止流體倒流造成設備損壞。H41H升降式止回閥嚴格按 GB12235 標準設計制造,閥瓣沿著中心定位作升降運動,襯套采用耐磨性能好,摩擦系數小的特殊材料制作,動作靈活可靠,密封性能優良。 二、H41H升降止回閥用途: 直通升降止回閥的閥體結構采用截止閥的閥體,其閥瓣沿著通道中以線性作升降運動,動作合理可靠,但流體阻力較大,適用于輕小口徑的場合。直通式升降止回閥通常只能安裝在水平管道上,而立式升降止回閥一般就安裝在垂直管道中。H41H升降止回閥廣泛應用于石油、化工、制藥、電力行業等各種工況的管路上。 三、直通升降止回閥執行標準與檢驗: H41H執行標準: 設計制造:GB12235 結構長度:GB12221 連接法蘭:JB/T79-1994 試驗與檢驗:JB/T9092-1999如下表 | 試驗壓力(MPa) | 2.5 | 4.0 | 6.4 | 10.0 | MPa | | 殼體強度試驗 | 3.75 | 6.0 | 9.6 | 15.0 | MPa | | 高壓密封試驗壓力 | 2.75 | 4.4 | 7.04 | 11.0 | MPa | | 低壓氣密封驗壓力 | 0.5-0.7 | | 適用介質 | C 水、油品、氣 | P 醋酸類 | R 硝酸類 | N 液化氣 | | 適用溫度 | ≤425℃ | ≤180℃ | -40-+80℃ |
上海銳爾閥門有限公司生產的H41H閥體材料品種齊全,墊片可根據實際工況或用戶要求合理選配,能適用于各種壓力、溫度及介質工況。
可按用戶要求設計制造不同結構形式和連接形式的止回閥,為各種設備配套使用。
本閥門適用于工作溫度≤350℃的水、蒸汽、石油產品等介質管路上,作單向啟閉閥使用。
四、H41H直通止回閥主要零件材料:
 | 名稱 | 材料 | | 閥體 /閥蓋 | CF8 | CF3 | CF8M | CF3M | WCB | LCB | WC6 | WC9 | C5 | | 閥瓣 | CF8 | CF3 | CF8M | CF3M | WCB | LCB | WC6 | WC9 | C5 | | 墊片 | PTFE | 石墨 | | 螺栓 | 不銹鋼 | 35CrMoA | | 螺母 | 不銹鋼 | 45、35CrMoA |
 更多產品:CVWR對夾式靜音止回閥 H61H型承插焊鍛鋼止回閥
|